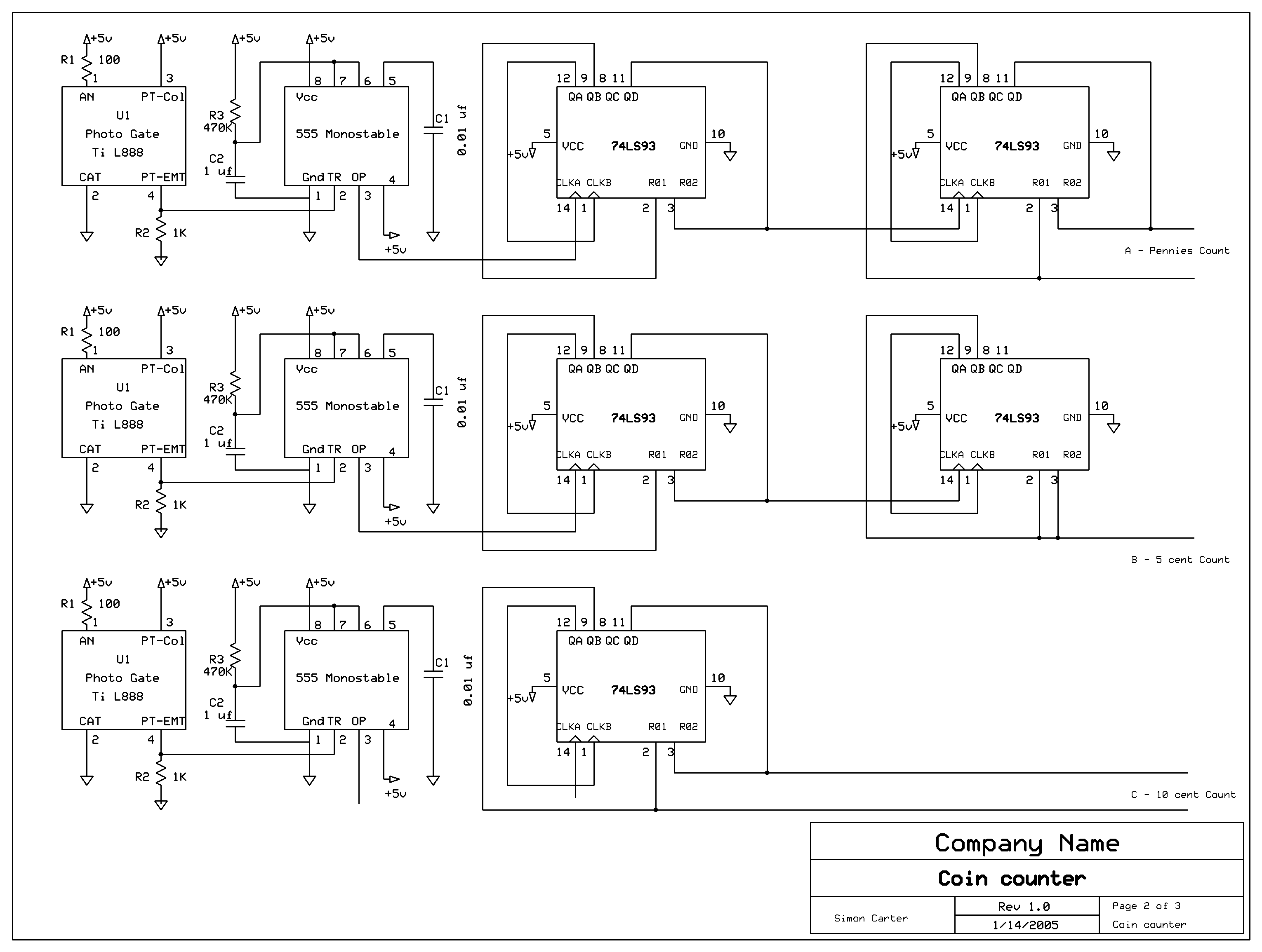
Coin Counter Diagram . Below is the circuit diagram for arduino counting machine: Make connections on the rear by soldering point. Layout the master counter and display circuit on one of the pcb boards. this project uses infrared (ir) sensors to count coins as they fall from the slots to the trays. it counts the amounts of 1rs, 5rs and 10rs coins as well as the total amount of coins. The first thing i made was the coin sorter. The way i chose to sort the coins is based on size. The sensors communicate with an arduino uno. students work in small groups to combine ideas and build a coin sorter using common construction materials such as cardboard, tape,. good day everyone.thank you for accepting me in this forum.i just need help for my project i am creating a arduino. Here, ir sensors are placed at.
from www.instructables.com
Below is the circuit diagram for arduino counting machine: Here, ir sensors are placed at. students work in small groups to combine ideas and build a coin sorter using common construction materials such as cardboard, tape,. The sensors communicate with an arduino uno. Make connections on the rear by soldering point. it counts the amounts of 1rs, 5rs and 10rs coins as well as the total amount of coins. The first thing i made was the coin sorter. The way i chose to sort the coins is based on size. good day everyone.thank you for accepting me in this forum.i just need help for my project i am creating a arduino. Layout the master counter and display circuit on one of the pcb boards.
Build a Coin Counter 9 Steps Instructables
Coin Counter Diagram this project uses infrared (ir) sensors to count coins as they fall from the slots to the trays. The first thing i made was the coin sorter. The way i chose to sort the coins is based on size. it counts the amounts of 1rs, 5rs and 10rs coins as well as the total amount of coins. Here, ir sensors are placed at. this project uses infrared (ir) sensors to count coins as they fall from the slots to the trays. students work in small groups to combine ideas and build a coin sorter using common construction materials such as cardboard, tape,. Layout the master counter and display circuit on one of the pcb boards. The sensors communicate with an arduino uno. Below is the circuit diagram for arduino counting machine: Make connections on the rear by soldering point. good day everyone.thank you for accepting me in this forum.i just need help for my project i am creating a arduino.
From www.instructables.com
Build a Coin Counter 9 Steps Instructables Coin Counter Diagram Layout the master counter and display circuit on one of the pcb boards. good day everyone.thank you for accepting me in this forum.i just need help for my project i am creating a arduino. The sensors communicate with an arduino uno. it counts the amounts of 1rs, 5rs and 10rs coins as well as the total amount of. Coin Counter Diagram.
From projecthub.arduino.cc
Control Coin Acceptor with Arduino Arduino Project Hub Coin Counter Diagram The sensors communicate with an arduino uno. this project uses infrared (ir) sensors to count coins as they fall from the slots to the trays. Layout the master counter and display circuit on one of the pcb boards. The first thing i made was the coin sorter. students work in small groups to combine ideas and build a. Coin Counter Diagram.
From www.youtube.com
how single timer / coin counter / coin changer works in 1 timer YouTube Coin Counter Diagram Here, ir sensors are placed at. Below is the circuit diagram for arduino counting machine: this project uses infrared (ir) sensors to count coins as they fall from the slots to the trays. The first thing i made was the coin sorter. good day everyone.thank you for accepting me in this forum.i just need help for my project. Coin Counter Diagram.
From www.teachercreated.com
Money Chart TCR7606 Teacher Created Resources Coin Counter Diagram good day everyone.thank you for accepting me in this forum.i just need help for my project i am creating a arduino. The sensors communicate with an arduino uno. this project uses infrared (ir) sensors to count coins as they fall from the slots to the trays. Layout the master counter and display circuit on one of the pcb. Coin Counter Diagram.
From www.instructables.com
Coin Sorter & Counter (Arduino Uno) 10 Steps Instructables Coin Counter Diagram The first thing i made was the coin sorter. good day everyone.thank you for accepting me in this forum.i just need help for my project i am creating a arduino. students work in small groups to combine ideas and build a coin sorter using common construction materials such as cardboard, tape,. it counts the amounts of 1rs,. Coin Counter Diagram.
From courses.ece.cornell.edu
Coin Sorting Machine Coin Counter Diagram Below is the circuit diagram for arduino counting machine: Here, ir sensors are placed at. it counts the amounts of 1rs, 5rs and 10rs coins as well as the total amount of coins. Layout the master counter and display circuit on one of the pcb boards. students work in small groups to combine ideas and build a coin. Coin Counter Diagram.
From fixme.ch
Coin counter Fixme.ch Coin Counter Diagram The sensors communicate with an arduino uno. The way i chose to sort the coins is based on size. students work in small groups to combine ideas and build a coin sorter using common construction materials such as cardboard, tape,. Make connections on the rear by soldering point. Here, ir sensors are placed at. it counts the amounts. Coin Counter Diagram.
From www.safescan.com
Coin counter and sorter Safescan 1250 GBP For British Pounds Coin Counter Diagram it counts the amounts of 1rs, 5rs and 10rs coins as well as the total amount of coins. this project uses infrared (ir) sensors to count coins as they fall from the slots to the trays. Layout the master counter and display circuit on one of the pcb boards. students work in small groups to combine ideas. Coin Counter Diagram.
From arifkin.com
Semacon S100 Series Coin Counter A. Rifkin Co. Coin Counter Diagram Here, ir sensors are placed at. Below is the circuit diagram for arduino counting machine: good day everyone.thank you for accepting me in this forum.i just need help for my project i am creating a arduino. The sensors communicate with an arduino uno. students work in small groups to combine ideas and build a coin sorter using common. Coin Counter Diagram.
From www.youtube.com
DIY Arduino Coin Sorting and Counting Machine V2 arduino coin diy Coin Counter Diagram Here, ir sensors are placed at. students work in small groups to combine ideas and build a coin sorter using common construction materials such as cardboard, tape,. good day everyone.thank you for accepting me in this forum.i just need help for my project i am creating a arduino. it counts the amounts of 1rs, 5rs and 10rs. Coin Counter Diagram.
From circuitlibscombrid.z13.web.core.windows.net
Coin Sensor Circuit Diagram Coin Counter Diagram good day everyone.thank you for accepting me in this forum.i just need help for my project i am creating a arduino. Layout the master counter and display circuit on one of the pcb boards. Make connections on the rear by soldering point. The first thing i made was the coin sorter. Here, ir sensors are placed at. The sensors. Coin Counter Diagram.
From www.easygetproduct.com
Top 10 Best Coin Counters in 2021 Reviews Guide Coin Counter Diagram students work in small groups to combine ideas and build a coin sorter using common construction materials such as cardboard, tape,. The sensors communicate with an arduino uno. The way i chose to sort the coins is based on size. Make connections on the rear by soldering point. Below is the circuit diagram for arduino counting machine: good. Coin Counter Diagram.
From www.dreamstime.com
Flat Icon Finance Set of Interchange, Counter, Diagram and Other Vector Coin Counter Diagram Make connections on the rear by soldering point. The way i chose to sort the coins is based on size. this project uses infrared (ir) sensors to count coins as they fall from the slots to the trays. Below is the circuit diagram for arduino counting machine: it counts the amounts of 1rs, 5rs and 10rs coins as. Coin Counter Diagram.
From www.youtube.com
How to Make DIY Coin Counting Bank using Arduino, Smart Money box Coin Counter Diagram good day everyone.thank you for accepting me in this forum.i just need help for my project i am creating a arduino. Below is the circuit diagram for arduino counting machine: students work in small groups to combine ideas and build a coin sorter using common construction materials such as cardboard, tape,. Layout the master counter and display circuit. Coin Counter Diagram.
From projecthub.arduino.cc
Coin Detector and Amount Counter Arduino Project Hub Coin Counter Diagram this project uses infrared (ir) sensors to count coins as they fall from the slots to the trays. students work in small groups to combine ideas and build a coin sorter using common construction materials such as cardboard, tape,. Make connections on the rear by soldering point. good day everyone.thank you for accepting me in this forum.i. Coin Counter Diagram.
From www.youtube.com
DIY COIN COUNTER/SEPERATOR/ALLAN COIN COUNTER YouTube Coin Counter Diagram Layout the master counter and display circuit on one of the pcb boards. students work in small groups to combine ideas and build a coin sorter using common construction materials such as cardboard, tape,. Here, ir sensors are placed at. good day everyone.thank you for accepting me in this forum.i just need help for my project i am. Coin Counter Diagram.
From circuitdigest.com
Arduino Paper Currency Counter using IR and Color Sensor Coin Counter Diagram students work in small groups to combine ideas and build a coin sorter using common construction materials such as cardboard, tape,. The sensors communicate with an arduino uno. The first thing i made was the coin sorter. this project uses infrared (ir) sensors to count coins as they fall from the slots to the trays. The way i. Coin Counter Diagram.
From maker.pro
How to Make a Coin Counter Custom Maker Pro Coin Counter Diagram The way i chose to sort the coins is based on size. this project uses infrared (ir) sensors to count coins as they fall from the slots to the trays. good day everyone.thank you for accepting me in this forum.i just need help for my project i am creating a arduino. Make connections on the rear by soldering. Coin Counter Diagram.